
面板式流量計
- 品*:JKM/凱銘儀表
- 型號:JKM-LZB
- 測量范圍:0-60m3/h
- 精度等級:±2.5%
- 公稱通徑:DN4-DN100
- 適用介質:液體,氣體
- 工作壓力:<1MPa
- 工作溫度:≤120℃
- 供電方式:刻度顯示
- 訂貨號:QCN699596WPG
面板式流量計概述
面板式流量計也屬轉子流量計或稱浮子流量計,測量管選用優質透明有機玻璃,分為氣體、液體、水型。主要應于凈水處理及環保工程配套,面板式流量計也可用于化工、石油、輕工、醫藥、化肥、食品、造紙及科學研究等部門,用來測量液體單相非脈動的流量。
面板式流量計具有透明度高、讀數直觀、不易破裂、重量輕、壽命長、安裝連接文便等特點。
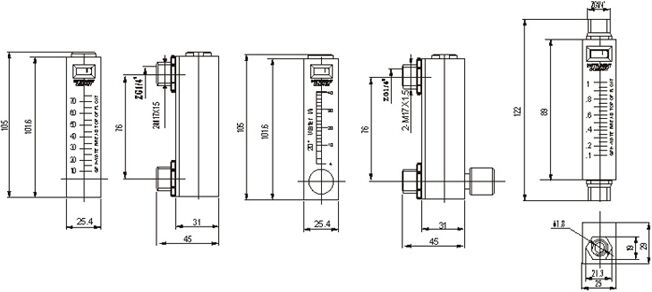
面板式流量計安裝方式
〔1〕流量計必須垂直安裝,應無明顯傾斜,其安裝高度,應便于對浮子的讀數,讀數時,視線與浮子應水平。〔一般標準:需用的*佳流量為流量計*大流量的50%-70%,盡量不要用到*高數。〕
〔2〕在儀表的上下游進出口應保證有5倍儀表口徑的直管段。
〔3〕被側流體壓力須穩定,如流體太力不穩定,會造成浮子波動,不能正確測量,流量計上游應設置緩沖器或定值器。
〔4〕流量計應垂直安裝,流量計中心線與鉛垂線的夾角不應超過5度。
JKMLZB-8系列面板式流量計
![]() | ||||
型號 |
流量范圍 |
介質 |
備注 | |
LZB-8 |
LZB-0802M |
2-20l/h |
水 |
不帶閥 |
LZB-0804M |
4-40l/h | |||
LZB-0806M |
6-60l/h | |||
LZB-0810M |
10-100l/h | |||
LZB-0807M |
10-70GPH | |||
LZB-0802M-V |
2-20l/h |
帶閥 | ||
LZB-0804M-V |
4-40l/h | |||
LZB-0806M-V |
6-60l/h | |||
LZB-0810M-V |
10-100l/h | |||
LZB-0807M-V |
10-70GPH | |||
LZB-0801G |
0.1~1GPM |
不帶閥 | ||
LZB-08A01M-V |
1~10SCFH/0.5~5LPM |
空氣 |
帶閥 | |
LZB-08A02M-V |
2~20SCFH/1~10LPM | |||
LZB-08A04M-V |
4~40SCFH/2~20LPM | |||
LZB-08A08M-V |
8~80SCFH/4~40LPM | |||
LZB-08A10M-V |
10~100SCFH/5~50LPM | |||
LZB-08A20M-V |
20~200SCFH/10~100LPM | |||
![]() | ||||
JKMLZB-9系列面板式流量計
![]() | ||||
型號 |
流量范圍 |
介質 |
備注 | |
LZB-9 |
LZB-0908M |
10~80 l/h |
空氣 |
不帶閥 |
LZB-0916M |
20~160 l/h | |||
LZB-0930M |
30~300 l/h | |||
LZB-0980M |
80-800 l/h | |||
LZB-0908M-V |
10~80l/h |
帶閥 | ||
LZB-0916M-V |
20~160 l/h | |||
LZB-0930M-V |
30~300 l/h | |||
LZB-0980M-V |
80~800 l/h | |||
![]() | ||||
JKMLZB-10系列面板式流量計
![]() | ||||
型號 |
流量范圍 |
介質 |
備注 | |
LZB-10 |
LZB-1001M |
0.1~1GPM/0.5~4LPM |
水 |
不帶閥 |
LZB-1002M |
0.2~2GPM/1~7LPM | |||
LZB-1005M |
0.5~5GPM/2~18LPM | |||
LZB-1001M-V |
0.1~1GPM/0.5~4LPM |
帶閥 | ||
LZB-1002M-V |
0.2~2GPM/1~7LPM | |||
LZB-1005M-V |
0.5~5GPM/2~18LPM | |||
LZB-10A04M |
0.4~4SCFM/12~120LPM |
空氣 |
不帶閥 | |
LZB-10A08M |
0.8~8SCFM/24~240LPM | |||
LZB-10A16M |
1.6~16SCFM/48~480LPM | |||
LZB-10A24M |
2.4~24SCFM/72~720LPM | |||
LZB-10A04M-V |
0.4~4SCFM/12~120LPM |
帶閥 | ||
LZB-10A08M-V |
0.8~8SCFM/24~240LPM | |||
LZB-10A16M-V |
1.6~16SCFM/48~480LPM | |||
LZB-10A24M-V |
2.4~24SCFM/72~720LPM | |||
![]() | ||||
JKMLZB-25系列面板式流量計
![]() | ||||
型號 |
流量范圍 |
介質 |
備注 | |
LZB-25 |
LZB-2510M |
1~10 GPM/5~35LPM |
水 |
不帶閥 |
LZB-2516M |
2~16 GPM/4~60LPM | |||
LZB-2520M |
2~20 GPM/10~70LPM | |||
LZB-25A40M |
4~40 SCFM/7~70m3/h |
空氣 | ||
LZB-25A60M |
6~60 SCFM/10~100m3/h | |||
![]() | ||||
JKMLZB-40系列面板式流量計
![]() | ||||
型號 |
流量范圍 |
介質 |
備注 | |
LZB-40 |
LZB-4035M |
4~35 GPM/12~120LPM |
水 |
不帶閥 |
LZB-4040M |
4~40 GPM/15~150LPM | |||
LZB-4010M-V |
1~10 GPM/5~35LPM |
帶閥 | ||
LZB-4016M-V |
2~16 GPM/4~60LPM | |||
LZB-4020M-V |
2~20 GPM/10~70LPM | |||
![]() | ||||
下一篇:JKM-LZ智能浮子流量計












