暖氣管道流量計怎么安裝
暖氣管道流量計是一種新型流量計 , 由于精度高、適應性強、應用范圍廣、安裝簡單等特點 , 在化工行業的應用日益廣泛 , **凱銘儀表有限公司推出暖氣管道流量計的安裝要點共大家分享。
暖氣管道流量計的安裝方向不能裝反
暖氣管道流量計上標注“→”與工藝介質流向應一致 , 大管徑插入式渦流街流量計的傳感器要與管道軸線垂直 , 法蘭連接型則應與工藝管道同軸。
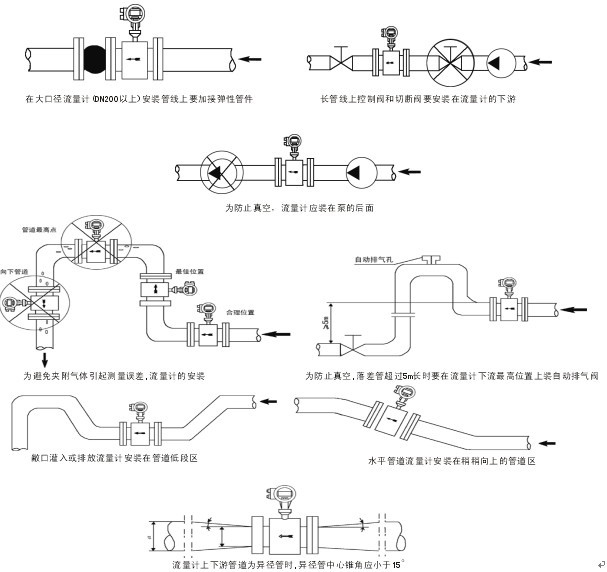
暖氣管道流量計安裝時應保證上、下游直管段的長度
(1) 暖氣管道流量計對前后直管段的一般要求是 : 前 20 D , 后 5 D( D 為相連工藝管道內徑) ,閥門一般設計在流量計的下游側。
(2) 當流量計安裝在壓縮機、鼓風機、柱塞泵的出口時 , 流量計的上游側需加裝閥門 , 這種情況 , 為保證流量計的測量準確度 , 除上游直管段長度不小于 20 D 外 , *好能在上游側加裝限流或緩沖裝置
(3) 對于有變徑要求的工藝管線 , 前后直管段的長度分別保證不小于 10 D 和 5 D 就可以了 ; 如果必須在流量計的上游側選用閘閥 , 那么前直管段的長度不應小于 40 D。
(4) 溫度、壓力等取源部件應安裝于暖氣管道流量計的下游側

安裝暖氣管道流量計應保證工作狀態時渦街發生器內部充滿介質
暖氣管道流量計可以測量液相、氣相和蒸汽三種介質的流量 , 同時可在水平、豎直甚至任何角度位置的管道上安裝 , 但是 , 不論哪一種情況 , 都必須保證工作狀態時流量計內部能夠完全充滿同一種介質。
(1) 對于相連接的工藝管道 , 其內徑不應小于流量計內徑 , 法蘭連接時所用墊片內徑應大于流量計本身內徑 , 否則會產生氣泡或負壓真空 , 影響測量準確性。
(2) 測量液體介質水平管道安裝時 , 應避免由于管道布置不當而使流量計內部滯留氣泡, 在豎直管道安裝時 , 要求介質的流向朝上 ,當流向朝下不可避免時 , 應考慮戒除因重力作用形成的負壓 , 避免造成流量計內部不能完全充滿被測介質。

管道清洗與吹掃時的注意事項
管道清洗與吹掃不能連同流量計一起進行 , 法蘭型渦街流量計應使用替代短節臨時把流量計換下 , 插入式流量計先將流量計拆下來 , 然后進行清洗或吹掃 , 以免流量計損壞。
暖氣管道流量計的使用環境
(1) 暖氣管道流量計的類型很多 , 不同類型、不同型號的流量計的使用范圍是不同的 , 如環境溫度、介質溫度、測量精度和管徑大小等 , 安裝時應注意其型號及其它技術參數 , 并根據其技術要求采取相應的措施。
(2) 暖氣管道流量計安裝應遠離動力線路、大功率電氣設備以及其它強電磁干擾場所。
(3) 旋渦型流量計對振動的影響較為敏感 , 所以選擇安裝位置時應遠離振動區域 , 如必須安裝在振動區域 , 則應在相連接的管道上加裝管道支架以固定。
暖氣管道流量計的接地要求
(1) 除按規范要求的信號接地和電纜屏蔽接地外 , 流量計本體也應接地 , 接地阻值符合設計要求。如設計無要求一般應小于10Ω。
(2) 當傳感器與變送器分體安裝時 , 應保證連接電纜的電氣連通性 , 一般都配有專用連接電纜 , 接線時應保證屏蔽層的跨接良好。
上一篇:供熱管道流量計的選用
下一篇:暖氣管道流量計怎么調大小


