小口徑電磁流量計安裝方式與位置要求
1 儀表安裝
1.1 安裝須知
小口徑電磁流量計的設計、試驗和供電均有安全規定,用戶必須嚴格遵守本說明書的有關條款確保小口徑電磁流量計的安全操作及運行。保證小口徑電磁流量計測量精度的必要條件如下:
1.被測液體介質必須具有導電性。
2.被測液體介質必須充滿管道。
3.被測液體介質必須均勻,以避免電導率的不均勻性(會產生嚴重干擾),如需動態加入化學物質,應在儀表下游處注入。
4.小口徑電磁流量計系統必須良好接地。
5.流量計入口直管段至少 5 倍 DN (測量管道內徑),出口直管段至少 2 倍 DN。
6.在流量計附近,避免強電磁場干擾,避免安裝在大型電機或變壓器等設備附近。
1.2 安全措施
為保障人身和設備的安全,須遵守以下條款:
1.在選擇位置和安裝流量計之前,必須認真閱讀完本說明書有關部分,同時要考慮流量計、相關設備和機身環境的安全要求。
2.應由具備一定儀表知識的人員進行儀表的安裝和維修。
3.正確安裝流量計傳感器及配管,保證密封安全可靠,液體壓力不得超過銘*上規定的*高工作壓力。
4.采取一定措施,防止觸電事故。
5.流量計的吊裝設備應符合安全規定。
1.3 安裝前的檢查
1.檢查法蘭、襯里、殼體和出線套有無損傷。
2.打開盒蓋、檢查接線印刷電路板有無松動或損壞。
3.檢查銘*中型號編碼與訂貨編碼是否相符。
1.4 正確選擇安裝位置
正確地選擇安裝位置和正確安裝流量計都是非常重要的環節,若在安裝環節失誤,輕者影響測量精度,重者會影響流量計的使用壽命,甚至會損壞流量計。選擇安裝位置時應注意以下問題:
1.測量電極的軸線必須近似于水平方向(與水平線夾角一般為 10°以內)

2.測量管道內必須完全充滿液體。
3.小口徑電磁流量計的前方*少要有 5×D(D 為流量計內徑)長度的直管段,后方*少要有 2×D(D為流量計內徑)長度的直管段。

4.流體的流動方向和流量計的箭頭方向一致。
5.管道內要有真空會損壞流量計的內襯,需特別注意。
6.在小口徑電磁流量計附近應無強電磁場,儀表安裝場所的磁場強度應小于 400A/m(避免安裝在大型電機或變壓器等設備附近)。
7.若測量管道有振動,在流量計的兩邊應有固定的支座。
8.測量不同介質的混合液時,混合點與流量計之間的距離*少要有 30×D(D 為流量計內徑)。
9.為方便今后流量計的清洗和維護,應安裝旁通管道。

10.安裝聚四氟乙烯內襯的流量計時,連接兩法蘭的螺栓應注意均勻擰緊,否則容易壓壞聚四氟乙烯內襯,*好用力矩扳手。
11.儀表應避免強烈振動和過大的溫度變化,同時要防止腐蝕性液體的滴漏對儀表造成損害。
12.如果安裝地點易受陽光曝曬,應當增加遮蔽設施。
13.安裝傳感器時,應保證測量管與工藝管道同軸。對 50mm 及以下公稱通徑的傳感器,其軸線偏離不超過 2mm。DN65~DN150 其軸線偏離不超過 3mm,≥DN200 其軸線偏離不超過 4mm。
14.法蘭之間加裝的法蘭墊圈,應有良好的耐腐蝕性能,該墊圈不得伸入管道內部。
15.緊固儀表螺栓、螺母,其螺紋應完整無損,潤滑良好。應依據法蘭尺寸、力矩大小采用力矩扳手緊固螺栓。
16.在傳感器鄰近管道進行焊接或火焰切割時,要采用隔離措施,防止襯里受熱,且必須確認儀表未通電運行,防止損壞儀表。
1.5 安裝方式
應安裝在水平管道較低處和垂直向上處,避免安裝在管道的*高點和垂直向下處。

應安裝在管道的上升處。

在開口排放的管道安裝,應安裝在管道較低處。若管道落差超過 5m,在傳感器的下游安裝排氣閥且傳感器的下游應有一定的背壓。

應在傳感器的下游安裝控制閥和切斷閥,而不應安裝在傳感器上游。

傳感器絕對不能安裝在泵的進口處,應安裝在泵的出口處。

在測量井內安裝小口徑電磁流量計的方式:1.入口 2.溢流管 3. 清洗孔 4.入口柵 5. 短管 6.流量計 7.出口 8.排放閥

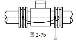
1.6 接地要求
小口徑電磁流量計的接地是非常重要的,若接地不好,無法正常運行,傳感器部分應有良好的單獨接地線(銅芯截面積為 1.6mm2),接地電阻<10Ω 。
1.接地環
若與傳感器連接的管道是絕緣性的,則需用接地環,應選擇其材質和電極的材質一樣,若被測介質是磨損性的,應選擇帶頸接地環。

2.接地方式
小口徑電磁流量計在金屬管道上的安裝,金屬管道內壁沒有絕緣涂層。

小口徑電磁流量計在塑料或內壁有絕緣涂料、油漆、內補等管道上安裝時,應在傳感器的兩端安裝接地環。

小口徑電磁流量計在陰極保護管道上安裝,防護電解腐蝕的管道一般在其壁和外壁是絕緣的,安裝時注意接地環和管道上的法蘭應絕緣。

1.7 改變轉換器盒的方向
轉換器盒可以根據需要作四個不同方向的轉變。
1.一體型小口徑電磁流量計的轉換器盒方向的改變
① 取下固定轉換器盒的 4 個六角螺絲。
② 將轉換器盒轉到理想的方向,旋轉時注意內部連接線。
③ 重新固定轉換器盒。
2.分體型流量計的接線盒方向的改變
① 取下固定接線盒的 4 個六角螺絲
② 將接線盒轉到理想的方向,旋轉時注意內部連接線
③ 重新固定接線盒。
上一篇:小口徑電磁流量計怎么接線
下一篇:小口徑電磁流量計流量范圍


